Термостат 55.32554.110 EGO — это надежный механический регулятор температуры, предназначенный для контроля нагрева в промышленном и профессиональном тепловом оборудовании. Он обеспечивает точное поддержание заданной температуры и безопасную работу устройств при высоких тепловых нагрузках.
Данная модель рассчитана на максимальную температуру до 340°C, что делает её оптимальным решением для использования в жарочных шкафах, печах, плитах, фритюрницах и другом тепловом оборудовании. Термостат автоматически включает и отключает нагревательные элементы, поддерживая стабильный температурный режим.
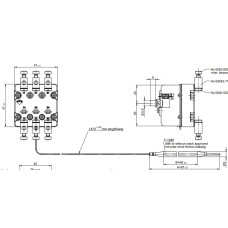
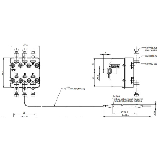
3-полюсное исполнение обеспечивает одновременное размыкание нескольких электрических цепей, что повышает безопасность эксплуатации и расширяет возможности подключения. Это особенно важно для оборудования с повышенными требованиями к надежности и контролю.
Термостат изготовлен из термостойких материалов и рассчитан на длительную эксплуатацию в условиях интенсивного использования. Высокое качество исполнения гарантирует стабильную работу и точность регулирования температуры.
Технические характеристики:
Модель: 55.32554.110
Производитель: EGO
Тип: механический термостат
Максимальная температура: до 340°C
Количество полюсов: 3
Тип управления: капиллярный
Назначение: контроль и регулировка температуры
Применение: тепловое и кухонное оборудование
Материал: термостойкие материалы
Тип монтажа: панельный
✅ Преимущества:
точное поддержание температуры до 340°C
3-полюсная конструкция для повышенной безопасности
надежная работа при высоких температурах
длительный срок службы
универсальное применение в тепловом оборудовании
простота установки и подключения
качество и надежность бренда EGO
Итог:
Термостат 55.32554.110 EGO — это надежный и точный регулятор температуры, обеспечивающий стабильную работу теплового оборудования и безопасность эксплуатации. Он идеально подходит для профессиональных кухонь и промышленного применения.
Закажите термостат 55.32554.110 EGO на сайте sms-com.ru — качественные комплектующие для оборудования с доставкой по всей России.
Термостат (55.32554.110) 340°C 3-pole EGO
- Модель: 55.32554.110
- Наличие: Pre-Order
-
26714.52руб.
Рекомендуемые товары
Термостат регулируемый 4EG01 (55.13039.310) 190 град. С, для Настольной фритюрницы Roller Grill FD 80DR
Термостат регулируемый 4EG01 (55.13039.310) 190 град. С, для Настольной фритюрницы Roller Grill FD 8..
14682.56руб.
Терморегулятор (55.13014.260) EGO для Мармитов Abat
Терморегулятор (55.13014.260) EGO — это надежный элемент управления температурой для мармитов Abat, ..
10031.77руб.
Терморегулятор (NT-122DO) Tecasa 30-90 град. С (АНАЛОГ Терморегулятор (55.13014.260) EGO для Мармитов Abat)
Терморегулятор (NT-122DO) Tecasa 30-90 град. С (АНАЛОГ Терморегулятор (55.13014.260) EGO для Мармито..
2950.00руб.
Термостат аварийный (55.32549.120) EGO 228 град. С, 380 В для Фритюрницы (EF-T7/14) серии 700 Kovinastroj (Kogast)
Термостат аварийный (55.32549.120) от EGO — это надёжное устройство защиты, предназначенное для фрит..
22250.00руб. 27611.59руб.
Термостат регулируемый (55.13043.010) 50 - 250 градусов С (АНАЛОГ 504024.10)
Термостат регулируемый (55.13043.010) EGO 50–250°C — надежный элемент системы управления нагревом, п..
4804.91руб. 5057.80руб.
Термостат регулируемый (WZA-90E) 30-90 град. С (АНАЛОГ Терморегулятор (55.13014.260) EGO для Мармитов Abat)
Терморегулятор (NT-122DO) Tecasa 30-90 град. С (АНАЛОГ Терморегулятор (55.13014.260) EGO для Мармито..
956.95руб.
Термостат защитный (55.32574.010) EGO 360 град. С
Термостат защитный (55.32574.010) от немецкого производителя EGO — это высокотемпературный предохран..
5621.86руб. 5964.50руб.
Термостат регулируемый (NT-232 PRE) диапазон: 51-190°С (АНАЛОГ EGO 55.13039.310) для Фритюрниц
Термостат регулируемый (NT-232 PRE) — это профессиональный элемент системы терморегуляции, предназна..
840.00руб. 1147.00руб.
Термостат (375505) регулируемый EGO серия 55.13_ , диапазон рабочих температур 50-320°C для Roller Grill
Термостат (375505) регулируемый EGO серия 55.13_ , диапазон рабочих температур 50-320°C для Roller G..
1974.02руб.
Термоограничитель (SP041) TECASA 220 °С для Фритюрниц ABAT аналог 55.13549.140 и 55.13542.200
Термоограничитель (SP041) TECASA 220 °С для Фритюрниц ABAT аналог 55.13549.140 и 55.13542.200..
1934.89руб.
Термостат защитный GDF1104-5 Hualing, WQS-230, 230 °C для Фритюрниц
Термостат защитный GDF1104-5 Hualing, WQS-230, 230 °C для ФритюрницХарактеристики:температура выключ..
1547.10руб.
Регулятор (50.57021.010) мощности 230В 13А EGO
Регулятор (50.57021.010) мощности 230В 13А EGOХарактеристики:напряжение230 Впереключающая мощность13..
2638.10руб.
Терморегулятор (T32-06) двухполюсный 50-350° 20А
Терморегулятор (T32-06) двухполюсный 50-350° 20А..
1080.00руб.
Терморегулятор VC-DK-5-4. Капиллярный термостат (терморегулятор) двухполюсной на керамической основе
Терморегулятор VC-DK-5-4. Капиллярный термостат (терморегулятор) двухполюсной на керамической основе..
472.00руб.
Термостат (GTLH0340) 0-200 °С для Sikom
Термостат (GTLH0340) — это надёжный терморегулятор, предназначенный для поддержания и контроля темпе..
6815.00руб. 7155.75руб.
Термостат регулируемый (WZA-120E) 30-120 град. С
Термостат регулируемый (WZA-120E) 30-120 град. С..
550.00руб.
Термостат (55.34034.230) регулируемый трехфазный 101-192 °C EGO
Термостат (55.34034.230) регулируемый трехфазный 101-192 °C EGOСовместимость:Bertos (E7F10-4B, E7F10..
24823.91руб.
Регулятор (380001) мощности 230В 13А Zanolli
Регулятор (380001) мощности 230В 13А ZanolliХарактеристики:напряжение230 Впереключающая мощность13 А..
2690.98руб.
Термостат регулируемый (WZA-60E) 0°C...60°C
Термостат регулируемый (WZA-60E) предназначен для точного контроля и регулировки температуры в диапа..
1079.10руб. 1199.50руб.
Элемент (D02013) нагревательный 3000Вт 230В Д 304мм для Roller Grill
Нагревательный элемент D02013 — электрический ТЭН, предназначенный для использования в профессиональ..
23549.33руб.














